新闻动态

  • 锅炉汽包液位三冲量控制系统

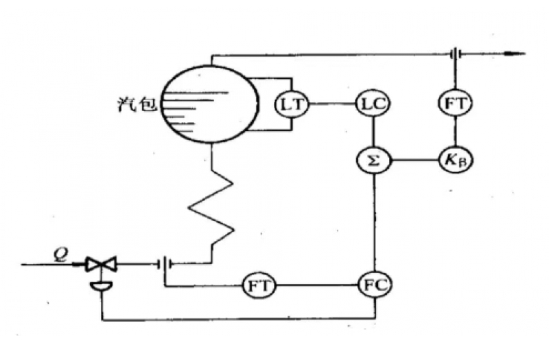
    主被控变量:汽包液位,由液位变送器(LT)测量,经导压管将汽包内液位信号引出,送至主调节器(LC)。 副被控变量:给水流量,由流量变送器(FT2)测量,安装在给水管道的孔板处,通过导压管将差压信号转换为电信号,送至副调节器(FC)。

    2025-08-08 大发体育在线注册,大发体育(中国)

上一页1下一页 转至第
首页
产品
新闻
联系