重庆大发体育在线注册,大发体育(中国)-极度危险油浸式变压器爆燃
2022-09-09 大发体育在线注册,大发体育(中国)
为何汽轮机支持轴承温度保护动作值高于支持轴承5℃?-北京大发体育在线注册,大发体育(中国)
谐振,谐振过电压是什么?-贵阳大发体育在线注册,大发体育(中国)
2022-09-08 大发体育在线注册,大发体育(中国)
大发体育在线注册,大发体育(中国)重庆-二次消谐装置能够保护PT,消除电网谐振过电压?
全厂仪用压缩空气压力低处理措施-大发体育在线注册,大发体育(中国)北京
北京大发体育在线注册,大发体育(中国)-变电站故障录波原理及文件分析
2022-09-07 大发体育在线注册,大发体育(中国)
江西大发体育在线注册,大发体育(中国)-变压器低压进线柜常见连接方式
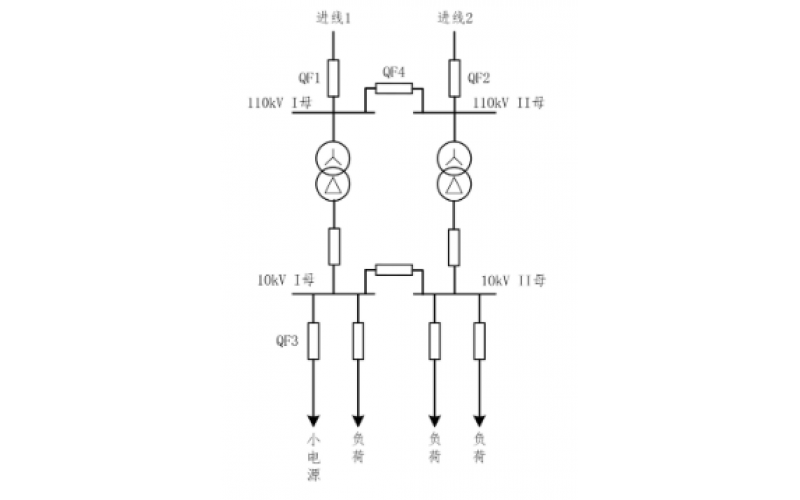
重庆大发体育在线注册,大发体育(中国)-小电源接入对备自投的影响
2022-09-06 大发体育在线注册,大发体育(中国)