新闻动态

  • 法兰公称通径和钢管外经

    在管道系统中,管道元件公称通径是一个重要的基本参数。公称通经是仅与制造尺寸有关且引用方便的一个园整数值,不适用于计算,它是管道系统中除了用外经和螺纹尺寸代号标记的元件以外的所有其他元件通用的一种规格标记。法兰公称通经与管道公称通经含义相同,它并不是某一个实际结构尺寸,也不等于法兰内经,而仅仅是与制造尺寸有关联的经过园整后的一个名义尺寸其标记方法是在字母“DN”后跟一个以mm为单位的数字。

    2025-02-26 大发体育在线注册,大发体育(中国)

  • 常用法兰结构造型及参数

    整体按法兰结构及其管子的连接方式分为法兰、螺纹法兰、对焊法兰、平焊法兰、松套法兰与法兰盖等。 整体法兰系指泵、阀、机等机械设备与管道连接的进出口法兰,通常和这些管道设备制成一体作为设备的一部分。

    2025-02-26 大发体育在线注册,大发体育(中国)

  • FF总线型定位器故障排除实操

    支线上的总线仪表接入现场总线接线盒,干线接入控制室机柜间的MTL5995,再接入DeltaV系统的H1卡,其中,24V电源由MTL5995提供。在某次大修中,总线仪表FIC1133(DVC5000F总线变送器) 突然无法调校。但此前工程师还调校过,一切正常。

    2025-02-26 大发体育在线注册,大发体育(中国)

  • 磁致伸缩液位计设置与故障处理

    磁致伸缩液位计是两线制变送器,如图1所示:信号+:接在“+POWER”端子;信号-:接在“-METER,-POWER”端子

    2025-02-24 大发体育在线注册,大发体育(中国)

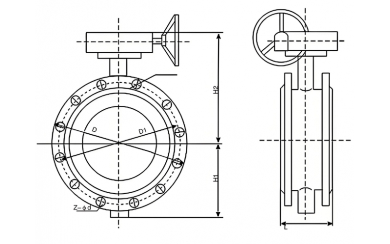
  • 三偏心蝶阀介绍

    蝶阀回转轴线(即阀杆轴线) 与蝶板密封面偏置一个尺寸a,并与阀体通道轴线偏置一个尺寸b, 阀座回转轴线与阀体通道轴线形成一个β角度。故形成三偏心。

    2025-02-24 大发体育在线注册,大发体育(中国)

  • 双偏心蝶阀介绍

    蝶板回转轴线(即阀杆轴线与蝶板密封截面偏置一个尺寸a,并与阀体通道轴线偏置一个尺寸b,由于在单偏心密封蝶阀的基础上将蝶板回转轴线与阀体通道轴线再偏置一个尺寸b,当双偏心蝶阀处于全开状态时,其蝶板密封面会完全脱离阀座密封面,并形成更大的间隙y,使蝶板的回转半径分为长半径和短半径,在长半径转动的大半圆上,蝶板密封面转动轨迹的切线会与阀座密封面形成一个θ角,在阀门启闭时,蝶板密封面相对阀座密封面有一个渐出脱离和渐入挤压的作用,从而降低了启闭时蝶板和阀座之间的机械磨损和擦伤。

    2025-02-24 大发体育在线注册,大发体育(中国)

  • 单偏心蝶阀介绍

    蝶板的回转中心(即阀杆中心) 位于阀体中心线上, 且与蝶板密封截面形成一个偏置尺寸a。使蝶板与阀座上的密封面形成一个完整的圆,加工时易保证蝶板与阀座的表面粗糙度。关闭蝶阀时, 蝶板的外圆密封表面逐渐接近并挤压阀座使阀座产生弹性变形, 形成的弹性力作为密封比压, 保证密封。

    2025-02-21 大发体育在线注册,大发体育(中国)

  • 中线蝶阀介绍

    蝶板的回转中心(即阀杆的中心) 位于阀体的中心线和蝶板的密封面截面上, 阀座采用合成橡胶或塑性材料。关闭时蝶板的外圆密封面挤压合成橡胶阀座, 使阀座产生弹性变形而形成弹性力作为密封比压, 保证蝶阀的密封。

    2025-02-21 大发体育在线注册,大发体育(中国)

首页
产品
新闻
联系