110kV线路间隔保护检验分享
2023-05-10 大发体育在线注册,大发体育(中国)
系统接地接对控制系统的影响!
在HMI上显示PLC代码流程的方法分享
为何控制系统需要信号隔离器?
2023-05-09 大发体育在线注册,大发体育(中国)
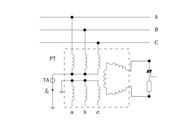
微机消谐装置消谐原理知识分享
主变中性点绝缘方式及倒闸操作
这是锅炉点火知识
2023-05-08 大发体育在线注册,大发体育(中国)
输送带掉矿原因分析及解决措施知识分享